Главная Информация

Каталог

Новости

Все новости

Воздуходувки и газодувки серии 2АФ вертикальные ременные

Воздуходувки Рутса — наиболее распространенные машины для компримирования. Вопреки распространенному заблуждению, Рутс — это не название модели и не аббревиатура; это — фамилия братьев-изобретателей, запатентовавших «механический нагнетатель» еще во второй половине 19-го века. Несколько позже, спустя почти век, компания «Даймлер» усовершенствовала конструкцию аппарата и получила на него патентные права. Тем не менее, имя братьев-первооткрывателей сохранилось до наших дней: шестеренчатые компрессоры до сих пор называют машинами Рутса.

<<<Модельный ряд роторных компрессоров выпускаемых "Рязанским Компрессорным Заводом">>> - скачать

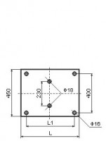
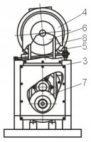
Момент вращения от электродвигателя к компрессору передается при помощи клиноременной передачи. Двигатель смонтирован над компрессором. Монтажные размеры одинаковы с муфтовыми компрессорами серии 2АФ. Все основные детали и агрегаты монтируются на металлическую раму, которая позволяет без особого труда подключить оборудование к линиям подачи воздуха.

  1. Электродвигатель;
  2. Компрессорный узел 2АФ;
  3. Ременная передача;
  4. Ограждение ременной передачи;
  5. Рама.
 

В комплект поставки входят:

  • Компрессор 2АФ;
  • Электродвигатель;
  • Рама;
  • Комплект запасных частей и пусковой аппаратуры к электродвигателю.

Модели

Модель Произво-
дитель-
ность, (м3/мин)
Перепад давления (кПа) Электродвигатель Масса, (кг) Габариты LxBxH, (мм)
Мощность, (кВТ) Число оборотов, (об/мин)
2АФ49Э51С (2AF49М1-DH-30-1,8-1,5-1,5) 1,8 30 1,5 1500 144 510×450×735
2АФ51Э51С (2AF51М1-DH-30-2,7-1,5-3) 2,7 30 3,0 1500 173 560×450×760
2АФ49Э51Ш (2AF49М1-DH-30-4,38-3-4) 4,38 30 4,0 3000 160 510×450×760
2АФ53Э51C (2AF53М1-DH-30-4,8-3-4) 4,8 30 4,0 1500 205 660×450×775
2АФ51Э51Ш (2AF51М1-DH-30-6,66-3-5,5) 6,66 30 5,5 3000 173 560×450×760
2АФ53Э51Ш (2AF53М2-DH-30-11,16-3-7,5) 11,16 30 7,5 3000 221 660×450×805
2АФ49Э52C (2AF49М1-DH-50-1,62-1,5-3) 1,62 50 3,0 1500 160 510×450×760
2АФ51Э51Ш (2AF51М1-DH-30-6,66-3-5,5) 6,66 30 5,5 3000 173 560×450×760
2АФ51Э52Ш (2AF51М2-DH-50-6,36-3-7,5) 6,36 50 7,5 3000 195 560×450×775
2АФ51Э52C (2AF51М1-DH-50-2,52-1,5-4) 2,52 50 4,0 1500 176 560×450×775
2АФ49Э52Ш (2AF49М1-DH-50-4,14-3-5,5) 4,14 50 5,5 3000 166 510×450×775
2АФ53Э52C (2AF53М2-DH-50-4,44-1,5-5,5) 4,44 50 5,5 1500 221 660×450×805
2АФ53Э52Ш (2AF53М2-DH-50-10,68-3-11) 10,68 50 11,0 3000 260 660×450×805
2АФ49Э53C (2AF49М1-DH-80-1,5-1,5-4) 1,5 80 4,0 1500 160 510×450×775
2АФ51Э53C (2AF51М2-DH-80-2,4-1,5-5,5) 2,4 80 5,5 1500 195 560×450×805
2АФ49Э53Ш (2AF49М2-DH-80-3,9-3-7,5) 3,9 80 7,5 3000 181 510×450×805
2АФ53Э53C (2AF53М2-DH-80-4,02-1,5-11) 4,02 80 11,0 1500 260 660×450×845
2АФ51Э53Ш (2AF51М2-DH-80-6,0-3-11) 6,0 80 11,0 3000 234 560×450×845
2АФ53Э53Ш (2AF53М1-DH-80-9,72-3-18,5) 9,72 80 18,5 3000 313 660×450×925

Схема устройства

Сертификат

Дополнительная информация

В наше время воздуходувки и газодувки Рутса применяются в самых различных областях промышленности. Популярность данных машин объясняется их надежностью, простотой обслуживания и ремонта, относительно невысокой ценой. К примеру, представленные в нашем каталоге компрессоры Рутса серий 1А, ВФ и 2АФ можно справедливо отнести к сверхнадежному классу промышленного оборудования, поскольку даже при интенсивном (круглосуточном) режиме эксплуатации выход из строя воздуходувки Рутс — явление крайне редкое.

Специалисты не понаслышке знакомы с таким понятием, как помпаж компрессора: резкими колебаниями давления и расхода компримируемой среды — газо- или воздушной смеси. В компрессорах Рутса риск возникновения подобных сбоев в работе сведен к минимуму, поскольку производительность компрессоров Рутса зависит от показателей, которые легко рассчитать или спрогнозировать. К числу таких показателей относится частота вращения привода и давление на входе.

Обслуживание

Как уже было отмечено выше, обслуживание и ремонт промышленных компрессоров Рутса проблем не составит, равно и не приведет к значительным финансовым расходам. Если соблюдать эксплуатационные условия и регулярно, в установленные сроки, производить замену масла, воздуходувки Рутса прослужат верой и правдой многие десятилетия.

Главные рабочие элементы машины вращаются синхронно с небольшим зазором между роторами. Поскольку роторы не соприкасаются друг с другом, рабочая часть машин Рутса не изнашивается, в отличие от поршневых компрессоров, где присутствуют силы трения.

Тем не менее, силы трения в воздуходувках Рутса присутствуют. В картере аппарата, в торцевой части, размещены цилиндрические шестерни, передающие вращение на ведомый ротор. Казалось бы, износ этих элементов неизбежен, однако конструкцией воздуходувок Рутса 1А, ВФ, 2ВФ предусмотрено барботажная смазка шестерен при вращении, что существенно уменьшает силы трения и, соответственно, упреждает выход из строя. Кроме того, данные элементы выполнены из стойкой к износу сверхпрочной стали.

Ремонт

Текущий и капитальный ремонт промышленных газо-, воздуходувок 1А, ВФ и 2ВФ сводится к замене подшипников и сальниковых уплотнителей — небольших по размеру и невысоких по стоимости компонентов. Все операции по замене деталей можно произвести в считанные часы — гораздо быстрее, нежели балансировка турбокомпрессора или замена поршневой группы в поршневых компрессорах.

Приобретение деталей к воздуходувкам не связано с какими-либо сложностями: в ООО «Компрессор «САС» можно купить не только газо-, воздуходувки Рутса, но и любые комплектующие к ним; причем, по довольно выгодным ценам завода-изготовителя.

Если вам необходима помощь в выборе промышленного оборудования для компримирования, обращайтесь — мы к вашим услугам: компетентные специалисты нашей компании готовы ответить на все ваши вопросы, касающиеся приобретения и монтажа, эксплуатации и обслуживания воздухо- и газодувок Рутса.